Lär dig med om tidreläer
Publicerat: 2024-11-14

Lär dig mer om tidreläer

Tidreläer spelar en nyckelroll inom industriell automation och styrning genom att möjliggöra exakt tidsinställd kontroll av processer och maskiner. Vårt sortiment av tidreläer från Crouzet erbjuder många funktionsvarianter för att möta behoven i alla applikationer där tidsstyrning krävs. De multifunktionella tidreläerna har upp till 12 funktioner integrerade i ett enda relä, vilket gör dem särskilt praktiska vid servicearbeten – du kan enkelt välja önskad funktion efter behov.

Kunskap

UPPTÄCK VÅRA SERIER AV TIDRELÄER

Vi har flera olika serier av tidreläer och ett brett utbud av olika tillbehör. Fortsätt att läsa för att lära dig mer om olika funktioner och kopplingscheman. 

Tidrelä serie B

SERIE B - ÖVERSIKTSTABELL

TYP FUNKTIONER UTGÅNG ANSLUTNING DRIFTSPÄNNNING BESTÄLLNINGSNUMMER E-NUMMER
BM1R A, Ac, At, B, C, D, Di, H, Ht, N, TL, Tt 1 vxl. relä 16 A Skruvanslutning 12-240 V AC/DC BM1R16MV1 E40 302 00
BM2R A, Ac, At, B, C, D, Di, H, Ht, N, TL 2 vxl. reläer 8 A Skruvanslutning 12-240 V AC/DC BM2R08MV1 E40 302 01
BA1R  A, At - Till slagsfördröjning 1 vxl. relä 16 A Skruvanslutning  12-240 V AC/DC BA1R16MV1  E40 302 02
BA2R  A, At - Tillslagsfördröjning 2 vxl. reläer 8 A Skruvanslutning  12-240 V AC/DC BA2R08MV1  E40 302 03
BL1R  L, Li – Paus-/gångtidfunktion 1 vxl. relä 16 A Skruvanslutning  12-240 V AC/DC BL1R16MV1  E40 302 04
BL2R  L, Li – Paus-/gångtidfunktion 2 vxl. reläer 8 A Skruvanslutning  12-240 V AC/DC BL2R08MV1  E40 302 05
Tidrelä serie P

SERIE P - ÖVERSIKTSTABELL

TYP FUNKTIONER UTGÅNG ANSLUTNING DRIFTSPÄNNNING BESTÄLLNINGSNUMMER E-NUMMER
PU2R A, Ac, Ad, At, B, Bw, C, D, Di, H, Ht 2 vxl. reläer 10 A Sockelmontage 12-240 V AC/DC PU2R10MV1 E40 301 88
PA2R A,At 2 vxl. reläer 10 A Sockelmontage 12-240 V AC/DC PA2R10MV1 E40 301 89
PC2R  C 2 vxl. reläer 10 A Sockelmontage  12-240 V AC/DC PC2R10MV1 E40 301 90
PL2R  L, Li 2 vxl. reläer 10 A Sockelmontage  12-240 V AC/DC PL2R10MV1 E40 301 91
Tidrelä serie D

SERIE D - ÖVERSIKTSTABELL

TYP FUNKTIONER UTGÅNG ANSLUTNING DRIFTSPÄNNNING BESTÄLLNINGSNUMMER E-NUMMER
DZ1R A, Ab, Ac, Ad, Ah, At, B, Bw, C, D, Di, H, Ht,
L, Li, O, N, P, Pt, T, TL, Tt, W
1 vxl. relä 8A Skruvanslutning 12-240 V AC/DC DZ1R08MV1 E40 302 27
Tidrelä Serie M

SERIE M - ÖVERSIKTSTABELL

TYP FUNKTIONER UTGÅNG ANSLUTNING DRIFTSPÄNNNING BESTÄLLNINGSNUMMER E-NUMMER
MUR1A, Ac, At, B, Bw, C, D, Di, H, Ht1 kontaktSkruvanslutning 24 V DC/24-240 V AC88827105E 40 300 14
MAR1A, At - Tillslagsfördröjning1 kontaktSkruvanslutning 24 V DC/24-240 V AC88827115E 40 300 00
MBR1B - Ställbar pulslängd1 kontaktSkruvanslutning 24 V DC/24-240 V AC88827125E 40 300 02
MCR1C - Frånslagsfördröjning1 kontaktSkruvanslutning 24 V DC/24-240 V AC88827135E 40 300 04
MHR1 H - Inverterat tillslag, Ht - Inverterat tillslag ackumulerad tid (blockering)1 kontaktSkruvanslutning 24 V DC/24-240 V AC88827145E 40 300 06
MLR1 L, Li – Paus-/gångtidfunktion 1 kontaktSkruvanslutning 24 V DC/24-240 V AC88827155E 40 300 10
MXR1Ad, Ah, N, O, P, Pt, TL, Tt, W1 kontakt Skruvanslutning  24 V DC/24-240 V AC  88827185  E 40 300 19
MUR3 A, Ac, At, B, Bw, C, D, Di, H, Ht 1 kontakt Skruvanslutning  12-240 V AC/DC  88827103  E 40 300 16
MUS2  A, Ac, At, B, Bw, C, D, Di, H, Ht  Statisk utgång Skruvanslutning  24-240 V AC  88827004  E 40 300 34
MAS5 A - Tillslagsfördröjt, At - Tillslagsfördröjt ackumulerad tid (blockering)  Statisk utgång Skruvanslutning  24-240 V AC/DC  88827014 E 40 300 20 
MHS2 H - Inverterat tillslag, Ht - Inverterat
tillslag ackumulerad tid (blockering)
 Statisk utgång Skruvanslutning   24-240 V AC  88827044  E 40 300 26
MLS2  L, Li – Paus-/gångtidfunktion  Statisk utgång Skruvanslutning  24-240 V AC  88827054  E 40 300 30

ERSÄTTNINGSTABELL

GAMLA E-NUMMER TYP ERSÄTTS AV NYA E-NUMMER TYP
E 40 306 10 TRU

E 40 302 00 BM1R
E 40 306 12 TRA E 40 300 00 MAR1
E 40 306 14 TRC E 40 300 04 MCR1
E 40 306 16 TRH E 40 300 06 MHR1
E 40 306 17 TRL E 40 302 04 BL1R
E 40 306 18 TRK E 40 300 69 TK2R1
E 40 306 19 TRQ E 40 300 35 RQR1
E 40 306 20 TRM E 40 302 01   BM2R
E 40 306 22             TRA2   E 40 302 01 BM2R*
E 40 306 24             TRC2   E 40 302 01   BM2R*
E 40 307 30 MRU1 E 40 302 00 BM1R
E 40 307 32 MRA1 E 40 300 00 MAR1
E 40 307 38 MRKi1 E 40 302 04 BL1R
E 40 307 42 MRA E 40 300 00 MAR1
E 40 307 44 MRC E 40 300 04 MCR1
E 40 310 00 MSU E 40 300 34 MUS2

*Ej extern potentiometer
**Monteras direkt på DIN-skena, ej för 11-polig sockel

ForSÄTTNING ERSÄTTNINGSTABELL

GAMLA E-NUMMER TYP ERSÄTTS AV NYA E-NUMMER TYP
E 40 310 02 MSA

E 40 300 20 MUS2
E 40 666 09 BARU230/24 E 40 300 00 MAR1
E 40 666 19 TARU230/24 E 40 301 89 PA2R10
E 40 666 79 TAXR2U E 40 301 88 PU2R10
E 40 667 09 BCRU230/24 E 40 300 04 MCR1
E 40 667 19 TCRU230/24 E 40 301 90 PC2R10
E 40 667 79 TCXRU E 40 301 88 PU2R10
E 40 668 09 BDRU230/24 E 40 302 04 BL1R
E 40 668 19 TDRU230/24 E 40 301 91 PL2R10
E 40 668 39 BLRMU E 40 302 00 BM1R
E 40 668 49 TLRMU E 40 301 88 PU2R10
E 40 669 09 BASU E 40 300 20 MAS5
E 40 669 19 TASU E 40 300 20 MAS5**
E 40 669 39 BDSU E 40 300 30 MLS2
E 40 669 49 TDSU   E 40 300 30   MLS2**
E 40 669 69 BLSU   E 40 300 34
  
MUS2
E 40 669 79TLSU E 40 300 34MUS2**

Funktionstabell


Funktion A

FUNKTION A

Tillslagsfördröjd, fast signal

När driftspänningen A1-A2 ansluts påbörjas tidräkningen. Efter inställd tid växlar reläet från 15-16 till 15-18. Detta återgår till 15-16 när driftspänningen bryts. 2 tidskontakter eller 2 växlande varav 1 momentan. 
fUNKTION aC

FUNKTION Ac

Kombinerad tillslags- och frånslagsfördröjt

Driftspänningen A1-A2 ansluten. När Y1 sluts påbörjas den första tidräkningen. När inställd tid T uppnås växlar reläet från 15-16 till 15-18. 
När Y1 bryts påbörjas den andra tidräkningen och reläet återgår till 15-16 när inställd tid löpt ut. Inställd tid T är samma för båda tidsräkningarna. 2 växlande varav 1 alt. momentan.
Funktion Ad

FUNKTION AD

Tillslagsfördröjd, extern signal

Driftspänningen A1-A2 ansluten. När styrningen Y1 ansluts påbörjas tidräkningen. Tidräkningen fortgår oberoende av styrsignalens längd. Efter inställd tid växlar reläet från 15-16 till 15-18. Detta återgår till 15-16 när styrsignalen åter ansluts eller när driftspänningen bryts.
Funktion AH

FUNKTION AH

Tillslagsfördröjd med programmerbar gångtid

Driftspänningen A1-A2 ansluten. När styrsignalen Y1 ansluts påbörjas tidräkningen. Efter att inställd tid T uppnåtts växlar reläet från 15-16 till 15-18 och förblir i draget läge till tiden T uppnåtts. Då återgår reläet till 15-16.
Funktion At

FUNKTION At

Tillslagsfördröjd med summering, pulsstyrd

OBS! Y1 måste vara sluten då driftspänning A1-A2 ansluts, annars får man en A-funktion. Y1 sluts och bryts växelvis. När den totala ”brutna” tiden uppnår inställd tid växlar reläet från 15-16 till 15-18 tills det att driftspänningen A1-A2 bryts. Då återgår reläet.
Tidreläer funktion B

FUNKTION B

Ställbar pulslängd

Driftspänningen A1-A2 ansluten. När Y1 ansluts påbörjas tidräkningen och reläet växlar från 15-16 till 15-18. Efter inställd tid återgår reläet till 15-16 även om Y1 fortfarande är ansluten. 2 växlande varav 1 alt. momentan.
Tidreläer funktion Bw

FUNKTION BW

Pulsstyrd wischrelä

Driftspänningen A1-A2 ansluten. Reläet växlar från 15-16 till 15-18 både när Y1 sluts och bryts. Efter inställd tid T återgår reläet till 15-16 och detta sker även då A1-A2 bryts. Inställd tid T är samma för båda tidräkningarna.
2 växlande varav 1 alt. momentan.
Tidreläer funktion C

FUNKTION C

Frånslagsfördröjd

Driftspänningen A1-A2 ansluten. När Y1 ansluts växlar reläet från 15-16 till 15-18. Tidräkningen påbörjas först när Y1 bryts. Reläet återgår till 15-16 när inställd tid löpt ut. Om Y1 sluts innan tidräkningen är färdig, nollställs tiden. 2 tidskontakter eller 1 växlande varav 1 alt. momentan.

Tidreläer funktion D

FUNKTION D (A1-Y1 Blyglas)

Blinkrelä

När driftspänningen A1-A2 ansluts påbörjas tidräkningen. Reläet börjar med paus och växlar från 15-16 till 15-18 och återgår till 15-16. Förloppet upprepas så länge driftspänningen A1-A2 är ansluten. Inställd tid T är samma för både paus och gångtid.
2 växlande varav 1 alt. momentan.

 

Tidreläer funktion Di

FUNKTION Di

Blinkrelä inverterat

När driftspänningen A1-A2 ansluts påbörjas 
tidräkningen. Reläet växlar direkt från 15-16 till 15-18 och återgår till 15-16. Förloppet upprepas så länge driftspänningen A1-A2 är ansluten. Inställd tid T är samma för både paus och gångtid.
2 växlande varav 1 alt. momentan.

Tidreläer funktion H

FUNKTION H

Tillslagsfördröjd inverterad

När driftspänningen A1-A2 ansluts påbörjas tidräkningen samtidigt som reläet växlar från 15-16 till 15-18. Efter inställd tid återgår reläet till 15-16 och detta sker även när driftspänningen A1-A2 bryts.
2 växlande varav 1 alt. momentan.
Tidreläer funktion Ht

FUNKTION Ht

Tillslagsfördröjd inverterad med summering, pulsstyrd

OBS! Y1 måste vara sluten då driftspänningen 
A1-A2 ansluts, annars får man en H-funktion.
Y1 sluts och bryts växelvis. När den totala ”brutna” tiden uppnår inställd tid, återgår reläet från 15-18 till 15-16 (läget 15-18 uppstod då driftspänningen A1-A2 anslöts).
2 växlande varav 1 alt. momentan.

Tidreläer funktion L

FUNKTION L(A1-Y1 Blyglas)

Paus-/gångtid

När driftspänningen A1-A2 ansluts påbörjas den första tidräkningen T1. Efter inställd tid växlar utgångsreläet och tidräkningen T2 påbörjas. Cykeln fortsätter tills manöverspänningen på A1-A2 försvinner. T1 och T2 ställs in oberoende av varandra. 2 tidskontakter

Tidreläer funktion Li

FUNKTION Li

Paus-/gångtid inverterad

När driftspänningen A1-A2 ansluts växlar reläet till 15-18 och den första tidräkningen T1 påbörjas. Efter inställd tid växlar utgångsreläet och tidräkningen T2 påbörjas. Cykeln fortsätter tills manöverspänningen på A1-A2 försvinner. 
T1 och T2 ställs in oberoende av varandra.
Tidreläer funktion N

FUNKTION N

Safe-Guard frånslagsfördröjd

Efter första pulsen på Y1 växlar reläet från 15-16 till 15-18. Om tiden mellan två pulser överskrider inställd tid återgår reläet till 15-16. Oberoende om signalen är till eller från.

Tidreläer funktion O

FUNKTION O

Safe-Guard tillslagsfördröjd

När driftspänningen A1-A2 ansluts påbörjas tidräkningen. Efter inställd tid T uppnåtts växlar reläet från 15-16 till 15-18 och förblir draget tills styrsignalen Y1 ansluts. Då återgår reläet till 15-16. Ny tidräkning påbörjas och om tiden mellan två pulser överskrider tiden T växlar reläet till 15-18 igen.
Tidreläer funktion P

FUNKTION P

Tillslagsfördröjt med fast puls

När driftspänningen A1-A2 ansluts påbörjas tidräkningen. Efter inställd tid T uppnåtts växlar reläet från 15-16 till 15-18 och förblir draget under 500 ms.
Tidreläer funktion Pt

FUNKTION Pt

Tillslagsfördröjd med fast puls och summering

När driftspänningen A1-A2 ansluts påbörjas 
tidräkningen. När styrsignalen Y1 ansluts 
stoppas tidräkningen och fortsätter när Y1 tas bort. Efter inställd tid T uppnåtts växlar reläet från 15-16 till 15-18 och förblir draget under 
500 ms.
Tidreläer funktion TL

FUNKTION TL

Skiftrelä (bistabilt)

När styrspänningen Y1 ansluts skiftar reläet från 15-16 till 15-18 och ligger draget tills styrspänningen Y1 ansluts igen. Då återgår reläet till 15-16.
Tidreläer funktion Tt

FUNKTION Tt

Frånslagsfördröjt skiftrelä (bistabilt)

När driftspänningen Y1 ansluts skiftar reläet från 15-16 till 15-18. Efter inställd tid T uppnåtts växlar reläet tillbaka till 15-16. Om styrspänningen Y1 ansluts innan tiden T löpt ut skiftar reläet till 15-16.
Tidreläer funktion W

FUNKTION W

Pulsstyrd frånslagsfördröjt med driftspänning

Efter att styrsignalen Y1 bryts påbörjas tidräkningen och reläet växlar från 15-16 till 15-18. Efter inställd tid eller om drivspänningen A1-A2 bryts återgår reläet till 15-16.

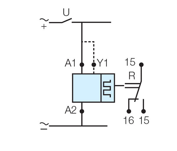
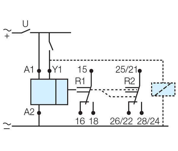
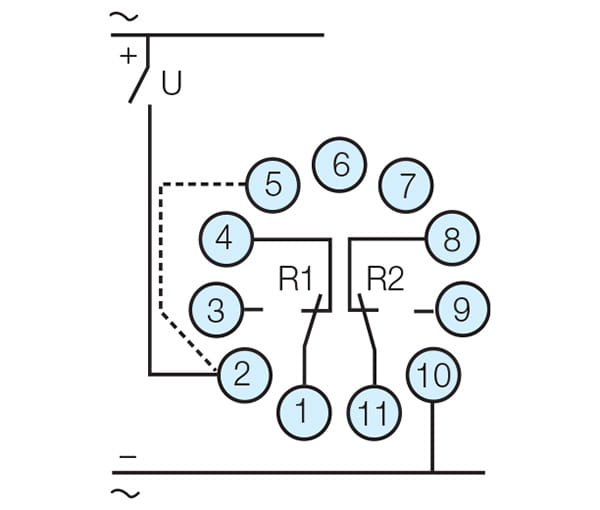
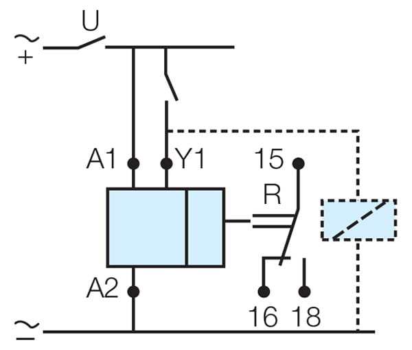
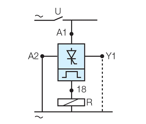
KOPPLINGSSCHEMA


A1 A2 - Driftspänning
Y1 - Signalingång
15- 16- 18/ R1-R2- Växlande reläkontakt

SERIE B, D, M

Multifunktion

koppling Serie B, D, M

1 kontakt

 

koppling 2 Serie BDM

2 kontakter

Funktion: A/H/L

Koppling serie BDM

 

SERIE M, STATISK UTGÅNG

Multifunktion
Koppling serie M 1
Funktion: A/H
Koppling Serie M 2
Funktion: L
Koppling Serie M 3

SERIE P

Multifunktion

Serie P koppling
Montage i 11-polid sockel
2 kontakter
Funktion: L

Koppling serie P
Li L:2-5

Se vårt utbud

AV TIDRELÄER

Se hela vårt utbud av tidreläer eller prata med våra specialister!

Tidreläer
Teknisk rådgivning

Sören Krause

Produktansvarig, Elskåpskomponenter

Kundsupport
Vår kundsupport svarar på alla typer av frågor.
075-242 42 00
Skicka e-post
FAQ
+ Hur blir jag kund hos er?
För att kunna handla av oss behöver du bli kund. Vi säljer endast till företag och är du privatperson hänvisar vi dig till grossister och återförsäljare. Ansök om att bli kund här. 
Läs mer
+ Vilka priser ser jag?
Är du inloggad visas priser på alla köpbara artiklar. De priser du ser är bruttopriset, din aktuella rabatt samt valutajusterat nettopris.
Läs mer
+ Kan jag se min orderhistorik på er hemsida?
När du har loggat in på hemsidan så hittar du all din orderhistorik under Mina sidor. 
Läs mer
Chatta
BEHÖVER DU HJÄLP?